SZXL型旋转滤网
概况
安装于各种水厂取水口,用于拦截排除供水系统
中较小直径的悬浮脏物及颗粒杂质,也可用于排水处理
工程中在粗格栅后续对水源中的污物进一步清除,以
保证后序设备连续运转。
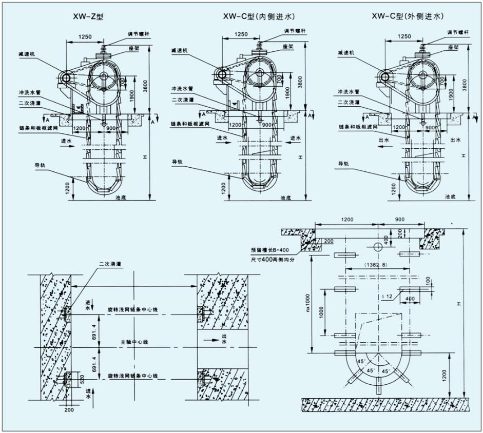
型号说明
主要特点
◆结构紧凑、占地少、安装方便、易操作
◆具有机械过载保护装置,水下不设传动件,
不易发生机械故障。
◆适应性强,实现全自动化控制。

订货须知
◆订货时请注明进水方式、井宽、有效工作深度H,
网孔目数及过网流速。
◆订货时注明过滤网材质要求和水质情况。
◆提供详细土建资料,n随H变化情况确定。
◆如需前道粗平板格栅、平板滤网等请注明。
◆如需其它规格或有特殊要求应特殊订货。
性能比较
进水示意图
工作和结构原理
SZXL型旋转滤网概况
安装于各种水厂取水口,用于拦截排除供水系统中较小直径的悬浮脏物及颗粒杂质,也可用于排水处理工程中在粗格栅后续对水源中的污物进一步清除,以保证后序设备连续运转。
SZXL型旋转滤网主要特点
结构紧凑、占地少、安装方便、易操作
具有机械过载保护装置,水下不设传动件,不易发生机械故障。
适应性强,实现全自动化控制。
SZXL型旋转滤网订货须知
订货时请注明进水方式、井宽、有效工作深度H,网孔目数及过网流速。
订货时注明过滤网材质要求和水质情况。
提供详细土建资料,n随H变化情况确定。
如需前道粗平板格栅、平板滤网等请注明。
如需其它规格或有特殊要求应特殊订货。
上一个 :SZXQ型转刷网蓖式清污机
下一个 :SZPG(W)型平板格栅(网)






